Ваш город:
Новый Уренгой
Ваш город Новый Уренгой?
Да Выбрать другой
Заказать звонок
Фильтр

Мотор-редуктор червячный МЧ-160 (МРЧ-160)

Описание

Описание товара временно отсутствует

Характеристики

Технические характеристики

Номинальная частота вращения выходного вала об/минДопускаемая радиальная консольная нагрузка, приложенная к середине посадочной части конца выходного вала, ННоминальный крутящий момент на выходном валу
Н х м
КПД, % в непрерыв-ном режиме с ПВ 100%, не менееТипоразмер двигателя серии MS (IEC)Мощность двигателя, кВтКорректи-рованный уровень звуковой мощности, дБА, не болееМасса мотор-редуктора кГ, не более
180 11000 550 94 MS 160, 180 B5 11,0 80 204
140 700 93 MS 160, 180 B5 11,0 204
112 870 93 MS 160, 180 B5 11,0 204
90 1060 91 MS 160, 180 B5 11,0 204
71 1300 88 MS 160, 180 B5 11,0 204
56 1630 87 MS 160, 180 B5 11,0 204
45 1935 83 MS 160, 180 B5 11,0 204
35,5 1615 79 MS 160, 180 B5 7,5 204
28 1916 73 MS 160, 180 B5 7,5 190
22,4 1663 74 MS 132 B5 5,5 163
18 2069 74 MS 132 B5 5,5 163
14 1880 70 MS 132 B5 4,0 163
11,4 1763 66 MS 132 B5 3,0 160
8,2 1638 66 MS 132 B5 2,2 160

 

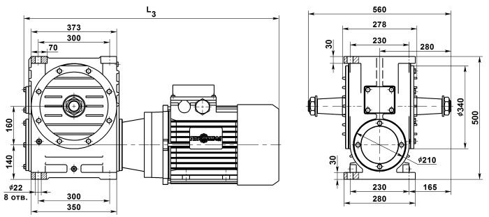
Габаритные и присоединительные размеры

Габаритные и присоединительные размеры мотор-редуктора МЧ-160

 

Конический вал

Конический вал мотор-редуктора МЧ-160

 

Цилиндрический вал

Цилиндрический вал мотор-редуктора МЧ-160

 

Полый вал

Полый вал мотор-редуктора МЧ-160

 

ВЫХОДНЫЕ КОНЦЫ ВАЛОВLL1L2bdd1t
Конический 140 105 50 18 70 М48х3- 8g 36,38
Цилиндрический 140 - - 20 70 - 74,5
Вал полый шлицевой 275 130 72,5 - 70 72 -

 

Варианты сборки мотор-редуктора

Варианты сборки

Характеристики

Похожие товары
Червячный мотор-редуктор МЧ-100 (МРЧ-100)

Мотор-редуктор МЧ-100 имеет одну червячную ступень с передаточными числами от 8 до 80. Привод производится в шести вариантах компоновки червячной пары и в четырех вариантах сборки, определяющих расположение валов.

Агрегат включает в себя редуктор Ч-100 и электродвигатель Able (опционально - Siemens) мощностью 0,75-5,5 кВт. КПД привода при работе в непрерывном режиме достигает 93%.

Пример условного обозначения в заказе

Мотор-редуктор МЧ–100–112–52-У3, ТУ УЗ.26-00224828-342-97, что означает:

  • МЧ – тип мотор-редуктора
  • 100 – межосевое расстояние, мм
  • 112 – номинальная частота вращения выходного вала, об/мин
  • 52 – вариант сборки по ГОСТ 20373-80
  • У3 – климатическое исполнение и категория размещения по ГОСТ 15150-69
по запросу
Подробнее
Червячный мотор-редуктор МЧ-125 (МРЧ-125)

Мотор-редуктор МЧ-125 — наиболее популярный типоразмер серии. Одноступенчатый червячный привод построен на базе эффективных электродвигателей Able. Диапазон передаточных чисел — от 8 до 80, мощность — 1,1-5,5 кВт. Привод МЧ-125 рассчитан на работу с переменной или постоянной нагрузкой.

Пример условного обозначения в заказе

Мотор-редуктор МЧ–125–140–51-У3, ТУ УЗ.26-00224828-342-97, что означает:

  • МЧ – тип мотор-редуктора
  • 125 – межосевое расстояние, мм
  • 140 – номинальная частота вращения выходного вала, об/мин
  • 51 – вариант сборки по ГОСТ 20373-80
  • У3 – климатическое исполнение и категория размещения по ГОСТ 15150-69
по запросу
Подробнее
Назад
Выбор города