Ваш город:
Новый Уренгой
Ваш город Новый Уренгой?
Да Выбрать другой
Заказать звонок
Фильтр

Цилиндрический мотор-редуктор 1МЦ2С-100

Описание

Описание товара временно отсутствует

Характеристики

Габаритные и присоединительные размеры

Исполнение "на лапах"

Габаритные размеры мотор-редуктора 1МЦ2С-100Н

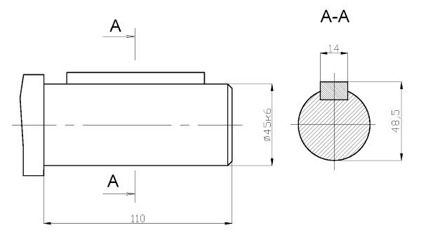
Присоединительные размеры вала

Размеры вала мотор-редуктора 1МЦ2С-100Н

Варианты монтажного исполнения

Монтажное исполнение

Технические характеристики

Номинальная частота вращения вых. вала, об/минНоминальный крутящий момент на выходном валу, НмМасса, кгh редукторной частиДвигатель
ТипМощность, кВт
28 522 70 71 АИР100L8СВ 1,5
35,5 550 77 79 АИР100L6СВ 2,2
45 455 74 79 АИР100L6СВ 2,2
56 514 73 80 АИР100S4СВ 3,0
71 553 80 82 АИР100L4СВ 4,0
90 422 80 82 АИР100L4 4,0

Характеристики

Похожие товары
Цилиндрический мотор-редуктор 1МЦ2С-125

Мотор-редуктор 1МЦ2С-125 комплектуется трехфазным двигателем с короткозамкнутым ротором. В агрегате используются зубчатые передачи с зацеплением Новикова. Это обеспечивает приводу ряд преимуществ: сранительно низкий уровень шума при работе, повышенную нагрузочную способность и высокие передаточные числа. В состав мотор-редуктора входят две цилиндрические ступени.

Агрегат 1МЦ2С-100 имеет соосное расположение валов. Литой чугунный корпус защищен от коррозии специальным покрытием. Мотор-редуктор выпускается в двух вариантах монтажного исполнения: фланцевое и на лапах.

ПРИМЕР УСЛОВНОГО ОБОЗНАЧЕНИЯ ПРИ ЗАКАЗЕ

Мотор-редуктор 1МЦ2С-125Н-56-120УЗ, 380В, где:

  • 1МЦ2С - тип мотор-редуктора
  • 125 - межосевое расстояние, мм
  • Н - с зацеплением Новикова
  • 56 - частота вращения выходного вала, 1/мин
  • G120 - монтажное исполнение
  • У3 - климатическое исполнение (У) и категория размещения (3)
  • 380В - номинальное напряжение электросети
по запросу
Подробнее
Цилиндрический мотор-редуктор 1МЦ2С-63

Мотор-редуктор 1МЦ2С-63 построен на базе двухступенчатой зубчатой передачи с эвольвентным зацеплением. В качестве силовой установки используется трехфазный асинхронный электродвигатель АИР или Able мощностью до 2,2 кВт.

Привод 1МЦ2С-63 выполнен в литом чугунном корпусе. В продаже имеются мотор-редукторы в семи монтажных исполнениях с различным расположением посадочных отверстий. Варианты климатического исполнения: У и Т2.

ПРИМЕР УСЛОВНОГО ОБОЗНАЧЕНИЯ ПРИ ЗАКАЗЕ

Мотор-редуктор 1МЦ2С-63-28-150УЗ, 380В, где:

  • 1МЦ2С - тип мотор-редуктора
  • 63 - межосевое расстояние, мм
  • 28 - частота вращения выходного вала, об/мин
  • G150 - монтажное исполнение
  • У3 - климатическое исполнение (У) и категория размещения (3)
  • 380В - номинальное напряжение электросети
по запросу
Подробнее
Цилиндрический мотор-редуктор 1МЦ2С-80

Мотор-редуктор 1МЦ2С-80 — соосный цилиндрический привод с двигателем мощностью 0,75-4 кВт. Агрегат предназначен для работы в сети переменного тока 220/380 В. Нагрузка — постоянная или переменная, однонаправленная/реверсивная. Скорость вращения тихоходного вала — до 180 об/мин, крутящий момент — до 355 Нм.

Типоразмер комплектуется цилиндрическим или коническим выходным валом. Чугунный корпус имеет защитное покрытие, предотвращающее коррозию. Мотор-редуктор 1МЦ2С-80 производится в нескольких климатических исполнениях: У, Т, УХЛ и О.

ПРИМЕР УСЛОВНОГО ОБОЗНАЧЕНИЯ ПРИ ЗАКАЗЕ

Мотор-редуктор 1МЦ2С-80-112-110УЗ, 380В, где:

  • 1МЦ2С - тип мотор-редуктора
  • 80 - межосевое расстояние, мм
  • 112 - частота вращения выходного вала, об/мин
  • G110 - монтажное исполнение
  • У3 - климатическое исполнение (У) и категория размещения (3)
  • 380В - номинальное напряжение электросети
по запросу
Подробнее
Назад
Выбор города