Ваш город:
Новый Уренгой
Ваш город Новый Уренгой?
Да Выбрать другой
Заказать звонок
Фильтр

Планетарный мотор-редуктор МР1-500

Описание

Описание товара временно отсутствует

Характеристики

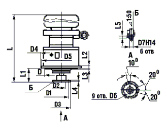
Чертеж
Таблица размеров (размеры, в мм)
  D D1 D2 D3 D4 D5 D6 D7 L L1 L2 L3 L4 L5
МР1-315-Ф1П ;
МР1-315-Ф2П
350H9 150 100h9 180 450 400 22 16 1220 200 20 10 20 4
МР1-500-Ф1П 450h9 224 150h9 260 550 500 26 20 2100 300 30 10 22 5

Технические характеристики

Типоразмер Исполнение по монтажу Передат. число Число оборотов на выход. валу в мин Момент на вых. валу , Нм Электродвигатель Масса мотор-редукт., кг
типоразмер мощность, кВт масса, кг
МР-1-315У-14-315 Ф-1П 4,6 315 1360 АИР200L4 45 275 465
МР-1-315У-25-315 Ф-1П 4,6 315 910 АИМ180М4 30 280 540
МР-1-315У-14-250 Ф-1П 5,7 250 1720 АИР200L4 45 275 465
МР-1-315У-25-250 Ф-1П 5,7 250 1145 АИМ180M4 30 280 540
МР-1-315У-14-160 Ф-1П 5,7 160 1790 АИР200L6 18,5 260 465
МР-1-315У-25-100 Ф-1П 5,7 160 1100 АИМ180M6 30 185 510
МР-1-315У-14-200 Ф-1П 7,4 200 2200 АИР200L4 37 255 425
МР-1-315У-14-200 Ф-1П 7,4 200 1765 АИР200M4 37 255 255
МР-1-315У-25-200 Ф-1П 7,4 200 1430 АИM180M4 30 280 530
МР-1-315У-14-125 Ф-1П, Ф-2П 7,4 125 1680 АИР200M6 22 235 400
МР-1-315У-25-125 Ф-1П, Ф-2П 7,4 125 1410 АИМ180M6 18,5 265 510
МР-1-315У-14-100 Ф-1П, Ф-2П 7,4 100 1765 АИР200M8 18,5 235 425
МР-1-315У-25-100 Ф-1П, Ф-2П 7,4 100 1430 АИМ180M8 15 265 510
МР-1-315-15-315 Ф-1П, Ф-2П 4,6 315 910 АИР180М4 30 195 380
МР-1-315-16-315 Ф-1П, Ф-2П 4,6 315 560 АИР160М4 18,5 145 340
МР-1-315-26-315 Ф-1П, Ф-2П 4,6 315 560 АИМ160М4 18,5 190 430
МР-1-315-15-250 Ф-1П, Ф-2П 5,7 250 1145 АИР180М4 30 195 380
МР-1-315-16-250 Ф-1П, Ф-2П 5,7 250 705 АИР160М4 18,5 145 340
МР-1-315-26-250 Ф-1П, Ф-2П 5,7 250 705 АИМ160М4 18,5 190 430
МР-1-315-15-160 Ф-1П, Ф-2П 5,7 160 1100 АИР180М6 18,5 185 380
МР-1-315У-25-160 Ф-1П, Ф-2П 5,7 160 1100 АИМ180М6 18,5 185 380
МР-1-315-16-160 Ф-1П, Ф-2П 5,7 160 895 АИР160М6 15 160 340
МР-1-315-26-160 Ф-1П, Ф-2П 5,7 160 895 АИМ160М6 15 215 430
МР-1-315-16-200 Ф-1П 7,4 200 880 АИР160М4 18,5 160 340
МР-1-315-26-200 Ф-1П 7,4 200 880 АИМ180М4 30 195 530
МР-1-315-16-125 Ф-1П, Ф-2П 7,4 125 1145 АИР160М6 15 160 340
МР-1-315-26-125 Ф-1П, Ф-2П 7,4 125 1145 АИМ160М6 15 215 430
МР-1-315-16-100 Ф-1П, Ф-2П 7,4 100 1050 АИР160М8 11 160 340
МР-1-315-26-100 Ф-1П, Ф-2П 7,4 100 1050 АИМ160М8 11 215 430
МР-1-500-11-315 Ф-1П 4,6 315 4000 АИР280M4 132 830 1230
МР-1-500-12-315 Ф-1П 4,6 315 2730 АИР250M4 90 485 950
МР-1-500-21-315 Ф-1П 4,6 315 3330 АИМ20S4 110 695 1355
МР-1-500-22-315 Ф-1П 4,6 315 2730 АИМ250M4 90 730 1215
МР-1-500-11-250 Ф-1П 5,7 250 4200 АИР280S4 110 695 1180
МР-1-500-12-250 Ф-1П 5,7 250 3430 АИР250M4 90 485 950
МР-1-500-13-250 Ф-1П 5,7 250 2100 АИР225M4 55 345 740
МР-1-500-23-250 Ф-1П 5,7 250 2100 ВАО-82-4 55    
МР-1-500-21-250 Ф-1П 5,7 250 4200 АИМ280S4 110 887 1355
МР-1-500-22-250 Ф-1П 5,7 250 3430 АИМ250M4 90 730 1215
МР-1-500-12-200 Ф-1П 7,4 200 4300 АИР250M4 90 485 950
МР-1-500-13-200 Ф-1П 7,4 200 2620 АИР225M4 55 345 940
МР-1-500-23-200 Ф-1П 7,4 200 2620 ВАО-82-4 55 345 940
МР-1-500-22-200 Ф-1П 7,4 200 4300 АИМ250M4 90 485 1215
МР-1-500-11-100 Ф-1П 7,4 100 7150 АИР280M8 75 735 1230
МР-1-500-12-160 Ф-1П 9,4 160 4470 АИР250S4 75 485 890
МР-1-500-13-160 Ф-1П 9,4 160 3280 АИР225M4 55 345 740
МР-1-500-22-160 Ф-1П 9,4 160 4470 АИМ250S4 75 650 1150
МР-1-500-23-160 Ф-1П 9,4 160 1790 ВАО-82-4 55    
МР-1-500-25-160 Ф-1П 9,4 160 1790 АИМ180M4 30 255 865
МР-1-500-12-100 Ф-1П 9,4 100 5250 АИР250M6 55 435 950
МР-1-500-13-100 Ф-1П 9,4 100 3530 АИР225M6 37 315 740
МР-1-500-23-100 Ф-1П 9,4 100 3820 ВАО-82-6 40    
МР-1-500-22-100 Ф-1П 9,4 100 5250 АИМ250M6 55 670 1215
МР-1-500-12-125 Ф-1П 11,2 125 5720 АИР250S4 75 485 905
МР-1-500-13-125 Ф-1П 11,2 125 4200 АИР225M4 55 345 740
МР-1-500-23-125 Ф-1П 11,2 125 4200 ВАО-82-4 55    
МР-1-500-22-125 Ф-1П 11,2 125 5720 АИМ250M6 75 670 1150
МР-1-500-11-80 Ф-1П 11,2 80 7150 АИМ280S6 75 840  
МР-1-500-12-80 Ф-1П 11,2 80 5370 АИР250S6 45 395 905
МР-1-500-13-80 Ф-1П 11,2 80 4410 АИР225M6 37 315 740
МР-1-500-23-80 Ф-1П 11,2 80 4770 ВАО-82-6 40    
МР-1-500-21-80 Ф-1П 11,2 80 7150 АИМ280S6 75 840  
МР-1-500-22-80 Ф-1П 11,2 80 5370 АИМ250S6 45 395 1150
МР-1-500-12-64 Ф-1П 11,2 64 5520 АИР250S8 37 405 905
МР-1-500-13-64 Ф-1П 11,2 64 4470 АИР225M8 30 315 740
МР-1-500-22-64 Ф-1П 11,2 64 5520 АИМ250S8 37 715 1150

Характеристики

Похожие товары
Планетарный мотор-редуктор МР3-315

Пример обозначения  МР-3-315-15-20-Ф-1В-У3

где: МР – тип мотор-редуктора;
3 – количество ступеней;
315 – делительный диаметр наибольшего колеса с внутренним зубом, мм;
15 – исполнение по двигателю;
20 – число оборотов выходного вала в мин;
Ф-1В – исполнение по монтажу (Ф-1В – вертикальнное, выходным валом вниз, с цилиндрическим концом выходного вала; Ф-2В – горизонтальное, с цилиндрическим концом выходного вала; Щ – на лапах);
У3 – климатическое исполнение.

Отличительные черты МР3-315

  • Валы могут иметь разное расположение, в зависимости от устройств, с которыми они соединены: концевая опора, перемешивающий механизм или муфта.
  • Разновидностью планетарных передач являются дифференциалы: здесь подвержены движению все 3 звена. — Для отрасли станкостроения используют планетарные приводы с коническими колесами, в которых 2 звена ведущие.
  • Планетарные приводы, в которых используются цилиндрические шестерни, дают возможность изменять количество зубьев, компактны в осевом направлении.
  • Планетарные приводы станков имеют особую схему расчета передаточных значений.
  • Могут не только варьировать угловую скорость, но и заменить фрикционную муфту при наличии тормоза на упорном колесе.
  • Существуют схемы, которые рассчитаны на то, что сателлиты не самоустанавливаются по центральным колесам.
  • Такие коробки передач могут быть трехвальными, многовальными. Простое строение, расположение валов на одной оси дает возможность избежать механических потерь.
по запросу
Подробнее
Планетарный мотор-редуктор МР1-800

Пример обозначения  МР-3-800-15-20-Ф-1В-У3

где: МР – тип мотор-редуктора;
3 – количество ступеней;
800 – делительный диаметр наибольшего колеса с внутренним зубом, мм;
15 – исполнение по двигателю;
20 – число оборотов выходного вала в мин;
Ф-1В – исполнение по монтажу (Ф-1В – вертикальнное, выходным валом вниз, с цилиндрическим концом выходного вала; Ф-2В – горизонтальное, с цилиндрическим концом выходного вала; Щ – на лапах);
У3 – климатическое исполнение.

Отличительные черты МР3-800

  • Валы могут иметь разное расположение, в зависимости от устройств, с которыми они соединены: концевая опора, перемешивающий механизм или муфта.
  • Разновидностью планетарных передач являются дифференциалы: здесь подвержены движению все 3 звена. — Для отрасли станкостроения используют планетарные приводы с коническими колесами, в которых 2 звена ведущие.
  • Планетарные приводы, в которых используются цилиндрические шестерни, дают возможность изменять количество зубьев, компактны в осевом направлении.
  • Планетарные приводы станков имеют особую схему расчета передаточных значений.
  • Могут не только варьировать угловую скорость, но и заменить фрикционную муфту при наличии тормоза на упорном колесе.
  • Существуют схемы, которые рассчитаны на то, что сателлиты не самоустанавливаются по центральным колесам.
  • Такие коробки передач могут быть трехвальными, многовальными. Простое строение, расположение валов на одной оси дает возможность избежать механических потерь.
по запросу
Подробнее
Планетарный мотор-редуктор МР2-315

Пример обозначения  МР-2-315-12-125-Ф-1П-Т3

где: МП – планетарный мотор-редуктор (тип)
2 – число ступеней;
315 – делительный диаметр, самого большого колеса с внутренним зубом, миллиметры;
12 – исполнение по двигателю;
125 – количество оборотов выполняемых выходным валом за ед. времени (1 мин.);
Ф-2П – исполнение по монтажу (Ф-2П обозначает горизонтальное исполнение, выходной вал которого имеет вид фланцевой полумуфты, со встроенным зубчатым компенсатором; Ф-1П обозначает вертикальное исполнение, вниз выходным валом, конец которого выполнен в виде фланцевой полумуфты со встроенным зубчатым компенсатором);
АИР – вид электродвигателя;
У3 –климатическое исполнение.

Отличительные черты МР2-315

  • Валы могут иметь разное расположение, в зависимости от устройств, с которыми они соединены: концевая опора, перемешивающий механизм или муфта.
  • Разновидностью планетарных передач являются дифференциалы: здесь подвержены движению все 3 звена. — Для отрасли станкостроения используют планетарные приводы с коническими колесами, в которых 2 звена ведущие.
  • Планетарные приводы, в которых используются цилиндрические шестерни, дают возможность изменять количество зубьев, компактны в осевом направлении.
  • Планетарные приводы станков имеют особую схему расчета передаточных значений.
  • Могут не только варьировать угловую скорость, но и заменить фрикционную муфту при наличии тормоза на упорном колесе.
  • Существуют схемы, которые рассчитаны на то, что сателлиты не самоустанавливаются по центральным колесам.
  • Такие коробки передач могут быть трехвальными, многовальными. Простое строение, расположение валов на одной оси дает возможность избежать механических потерь.
по запросу
Подробнее
Планетарный мотор-редуктор МР2-800

Пример обозначения  МР-3-800-15-20-Ф-1В-У3

где: МР – тип мотор-редуктора;
3 – количество ступеней;
800 – делительный диаметр наибольшего колеса с внутренним зубом, мм;
15 – исполнение по двигателю;
20 – число оборотов выходного вала в мин;
Ф-1В – исполнение по монтажу (Ф-1В – вертикальнное, выходным валом вниз, с цилиндрическим концом выходного вала; Ф-2В – горизонтальное, с цилиндрическим концом выходного вала; Щ – на лапах);
У3 – климатическое исполнение.

Отличительные черты МР3-800

  • Валы могут иметь разное расположение, в зависимости от устройств, с которыми они соединены: концевая опора, перемешивающий механизм или муфта.
  • Разновидностью планетарных передач являются дифференциалы: здесь подвержены движению все 3 звена. — Для отрасли станкостроения используют планетарные приводы с коническими колесами, в которых 2 звена ведущие.
  • Планетарные приводы, в которых используются цилиндрические шестерни, дают возможность изменять количество зубьев, компактны в осевом направлении.
  • Планетарные приводы станков имеют особую схему расчета передаточных значений.
  • Могут не только варьировать угловую скорость, но и заменить фрикционную муфту при наличии тормоза на упорном колесе.
  • Существуют схемы, которые рассчитаны на то, что сателлиты не самоустанавливаются по центральным колесам.
  • Такие коробки передач могут быть трехвальными, многовальными. Простое строение, расположение валов на одной оси дает возможность избежать механических потерь.
по запросу
Подробнее
Планетарный мотор-редуктор МР3-800

Пример обозначения  МР-3-800-15-20-Ф-1В-У3

где: МР – тип мотор-редуктора;
3 – количество ступеней;
800 – делительный диаметр наибольшего колеса с внутренним зубом, мм;
15 – исполнение по двигателю;
20 – число оборотов выходного вала в мин;
Ф-1В – исполнение по монтажу (Ф-1В – вертикальнное, выходным валом вниз, с цилиндрическим концом выходного вала; Ф-2В – горизонтальное, с цилиндрическим концом выходного вала; Щ – на лапах);
У3 – климатическое исполнение.

Отличительные черты МР3-800

  • Валы могут иметь разное расположение, в зависимости от устройств, с которыми они соединены: концевая опора, перемешивающий механизм или муфта.
  • Разновидностью планетарных передач являются дифференциалы: здесь подвержены движению все 3 звена. — Для отрасли станкостроения используют планетарные приводы с коническими колесами, в которых 2 звена ведущие.
  • Планетарные приводы, в которых используются цилиндрические шестерни, дают возможность изменять количество зубьев, компактны в осевом направлении.
  • Планетарные приводы станков имеют особую схему расчета передаточных значений.
  • Могут не только варьировать угловую скорость, но и заменить фрикционную муфту при наличии тормоза на упорном колесе.
  • Существуют схемы, которые рассчитаны на то, что сателлиты не самоустанавливаются по центральным колесам.
  • Такие коробки передач могут быть трехвальными, многовальными. Простое строение, расположение валов на одной оси дает возможность избежать механических потерь.
по запросу
Подробнее
Планетарный мотор-редуктор МР1-315

Пример обозначения  МР-1-315-12-125-Ф-1П-Т3

где: МП – планетарный мотор-редуктор (тип)
1 – число ступеней;
315 – делительный диаметр, самого большого колеса с внутренним зубом, миллиметры;
12 – исполнение по двигателю;
125 – количество оборотов выполняемых выходным валом за ед. времени (1 мин.);
Ф-2П – исполнение по монтажу (Ф-2П обозначает горизонтальное исполнение, выходной вал которого имеет вид фланцевой полумуфты, со встроенным зубчатым компенсатором; Ф-1П обозначает вертикальное исполнение, вниз выходным валом, конец которого выполнен в виде фланцевой полумуфты со встроенным зубчатым компенсатором);
АИР – вид электродвигателя;
У3 –климатическое исполнение.

Отличительные черты МР1-315

  • Валы могут иметь разное расположение, в зависимости от устройств, с которыми они соединены: концевая опора, перемешивающий механизм или муфта.
  • Разновидностью планетарных передач являются дифференциалы: здесь подвержены движению все 3 звена. — Для отрасли станкостроения используют планетарные приводы с коническими колесами, в которых 2 звена ведущие.
  • Планетарные приводы, в которых используются цилиндрические шестерни, дают возможность изменять количество зубьев, компактны в осевом направлении.
  • Планетарные приводы станков имеют особую схему расчета передаточных значений.
  • Могут не только варьировать угловую скорость, но и заменить фрикционную муфту при наличии тормоза на упорном колесе.
  • Существуют схемы, которые рассчитаны на то, что сателлиты не самоустанавливаются по центральным колесам.
  • Такие коробки передач могут быть трехвальными, многовальными. Простое строение, расположение валов на одной оси дает возможность избежать механических потерь.
по запросу
Подробнее
Планетарный мотор-редуктор МР3-500

Пример обозначения  МР-3-500-15-20-Ф-1В-У3

где: МР – тип мотор-редуктора;
3 – количество ступеней;
500 – делительный диаметр наибольшего колеса с внутренним зубом, мм;
15 – исполнение по двигателю;
20 – число оборотов выходного вала в мин;
Ф-1В – исполнение по монтажу (Ф-1В – вертикальнное, выходным валом вниз, с цилиндрическим концом выходного вала; Ф-2В – горизонтальное, с цилиндрическим концом выходного вала; Щ – на лапах);
У3 – климатическое исполнение.

Отличительные черты МР3-500

  • Валы могут иметь разное расположение, в зависимости от устройств, с которыми они соединены: концевая опора, перемешивающий механизм или муфта.
  • Разновидностью планетарных передач являются дифференциалы: здесь подвержены движению все 3 звена. — Для отрасли станкостроения используют планетарные приводы с коническими колесами, в которых 2 звена ведущие.
  • Планетарные приводы, в которых используются цилиндрические шестерни, дают возможность изменять количество зубьев, компактны в осевом направлении.
  • Планетарные приводы станков имеют особую схему расчета передаточных значений.
  • Могут не только варьировать угловую скорость, но и заменить фрикционную муфту при наличии тормоза на упорном колесе.
  • Существуют схемы, которые рассчитаны на то, что сателлиты не самоустанавливаются по центральным колесам.
  • Такие коробки передач могут быть трехвальными, многовальными. Простое строение, расположение валов на одной оси дает возможность избежать механических потерь.
по запросу
Подробнее
Планетарный мотор-редуктор МР2-500

Пример обозначения  МР-2-500-12-125-Ф-1П-Т3

где: МП – планетарный мотор-редуктор (тип)
2 – число ступеней;
500 – делительный диаметр, самого большого колеса с внутренним зубом, миллиметры;
12 – исполнение по двигателю;
125 – количество оборотов выполняемых выходным валом за ед. времени (1 мин.);
Ф-2П – исполнение по монтажу (Ф-2П обозначает горизонтальное исполнение, выходной вал которого имеет вид фланцевой полумуфты, со встроенным зубчатым компенсатором; Ф-1П обозначает вертикальное исполнение, вниз выходным валом, конец которого выполнен в виде фланцевой полумуфты со встроенным зубчатым компенсатором);
АИР – вид электродвигателя;
У3 –климатическое исполнение.

Отличительные черты МР2-500

  • Валы могут иметь разное расположение, в зависимости от устройств, с которыми они соединены: концевая опора, перемешивающий механизм или муфта.
  • Разновидностью планетарных передач являются дифференциалы: здесь подвержены движению все 3 звена. — Для отрасли станкостроения используют планетарные приводы с коническими колесами, в которых 2 звена ведущие.
  • Планетарные приводы, в которых используются цилиндрические шестерни, дают возможность изменять количество зубьев, компактны в осевом направлении.
  • Планетарные приводы станков имеют особую схему расчета передаточных значений.
  • Могут не только варьировать угловую скорость, но и заменить фрикционную муфту при наличии тормоза на упорном колесе.
  • Существуют схемы, которые рассчитаны на то, что сателлиты не самоустанавливаются по центральным колесам.
  • Такие коробки передач могут быть трехвальными, многовальными. Простое строение, расположение валов на одной оси дает возможность избежать механических потерь.
по запросу
Подробнее
Назад
Выбор города