Ваш город:
Новый Уренгой
Ваш город Новый Уренгой?
Да Выбрать другой
Заказать звонок
Фильтр

Планетарно-червячные редукторы ПЧ-40, ПЧ-63, ПЧ-80

Описание

iN n1 n2 пч-40 пч-63 пч-80
Р1 Т2 η Р1 Т2 η Р1 Т2 η
мин-1 кВт Н.м кВт Н.м кВт Н.м
40 (5х8) 1500 37,5 0,3 55 0,75 1 206 0,8 1,5 313 0,82
1000 25 0,2 60 0,74 0,7 224 0,79 1,2 371 0,81
750 18,7 0,2 62 0,73 0,6 233 0,78 1 400 0,79
50 (6,3х8) 1500 30 0,2 58 0,75 0,8 217 0,8 1,3 349 0,8
1000 20 0,2 62 0,73 0,6 232 0,79 1 395 0,79
750 15 0,1 64 0,71 0,5 239 0,78 0,8 419 0,78
63 (8х8) 1500 23,8 0,2 60 0,72 0,6 219 0,74 1,3 378 0,75
1000 15,9 0,1 63 0,71 0,5 233 0,73 0,9 415 0,74
750 11,9 0,1 66 0,7 0,4 246 0,72 0,7 433 0,72
80 (5х16) 1500 18,8 0,2 58 0,71 0,6 218 0,73 0,9 330 0,73
1000 12,5 0,1 62 0,69 0,4 232 0,71 0,8 417 0,71
750 9,38 0,1 65 0,68 0,4 244 0,7 0,6 460 0,7
100 (6,3х16) 1500 15 0,1 63 0,69 0,5 236 0,72 0,8 384 0,72
1000 10 0,1 67 0,68 0,4 251 0,7 0,7 452 0,7
750 7,5 0,1 69 0,67 0,3 259 0,69 0,5 467 0,69
125 (8х16) 1500 12 0,1 66 0,68 0,4 246 0,7 0,7 427 0,71
1000 8 0,1 68 0,67 0,3 256 0,69 0,5 465 0,7
750 6 0,1 70 0,66 0,2 259 0,68 0,4 473 0,69
160 (5х31,5) 1500 9,4 0,1 59 0,67 0,4 220 0,69 0,5 340 0,7
1000 6,3 0,1 66 0,66 0,3 246 0,68 0,4 433 0,69
750 4,7 0,1 69 0,65 0,2 259 0,67 0,4 480 0,68
200 (6,3х31,5) 1500 7,5 0,1 63 0,65 0,3 236 0,67 0,5 398 0,68
1000 5 0,1 69 0,64 0,2 257 0,66 0,4 471 0,66
750 3,8 0,1 71 0,64 0,2 268 0,65 0,3 487 0,65
250 (8х31,5) 1500 6 0,1 66 0,59 0,3 249 0,61 0,4 445 0,62
1000 4 0,1 71 0,57 0,2 266 0,59 0,3 485 0,61
750 3 0,04 73 0,55 0,2 274 0,57 0,3 493 0,59

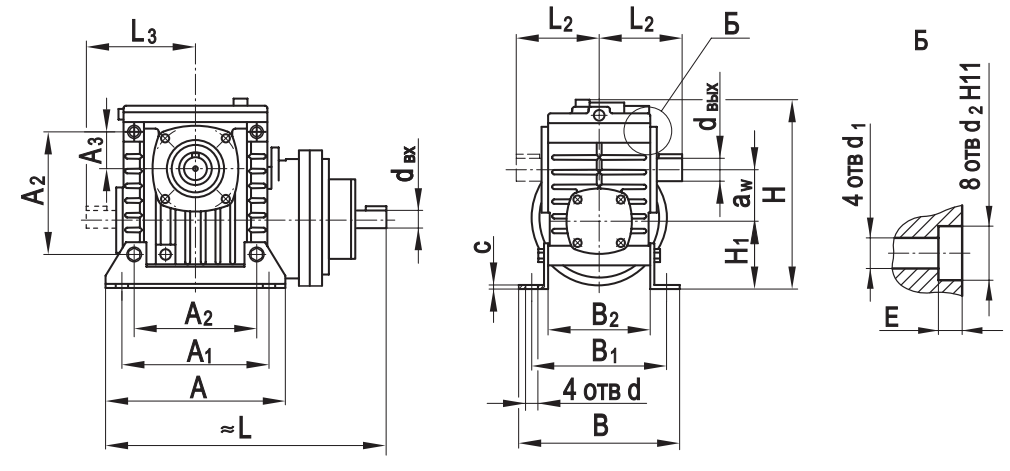
Габаритные размеры редуктора на лапах

Типоразмер аW А А1 А2 А3 В В1 В2 L* L1max L2* L3*Н Н 1 сd d 1 d2 Еd вх dвых
ПЧ­-­40 40 180 150 105 30 164 140 100 295 480
514
90 100 180 72 4 13 10,5 16 8 16 18
ПЧ­-63 63 220 180 150 45 197 165 125 400 543
531
100 135 232 82 5 13 10,5 16 8 22 28
ПЧ­-80 80 260 225 180 50 212 185 140 470 556
555
125 160 267 92 5 15 12,5 18 8 25 35

* Размеры приведены без учёта длины резьбового конца вала исполнения К2. 

 

Габаритные размеры редуктора на фланце

Типоразмер аW D D1 D2 H3 L* L2* L3* L5max L7 L8* c1 c2 d3 dвх dвых n
ПЧФ-40 40 170 110 145 162 295 90 100 457
491
85 116 8 3 10 16 18 4
ПЧФ­-63 63 205 140 175 200 400 100 135 536
524
120 166 10 3,5 12 22 28 4
ПЧФ­-80 80 230 160 200 239 470 125 160 546
545
130 193 10 5 12 25 35 6

* Размеры приведены без учёта длины резьбового конца вала исполнения К2. 

Варианты сборки

Варианты расположения червячных передач

 

1. Червячный вал под колесом;
2. Червячный вал над колесом;
3. 4. Вал червячного колеса вертикальный;
5. 6. Червячный вал вертикальный.

Назад
Выбор города