Ваш город:
Новый Уренгой
Ваш город Новый Уренгой?
Да Выбрать другой
Заказать звонок
Фильтр

Редуктор Ч-125

Описание

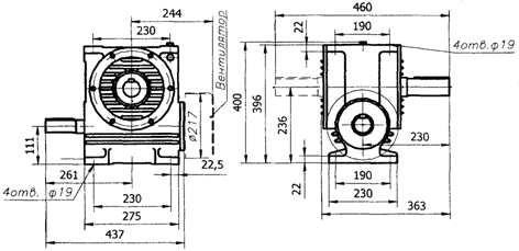
Габаритные и присоединительные размеры редуктора Ч 125

Размеры концов валов редуктора Ч 125

Вал конический

Вал цилиндрический

Вал полый шлицевой

Выходные концы валов L l L1 L2 b d d1 t
Вал быстроходный конический 80 58 24 18 6 32 M20x1,5-8 17,05
Вал тихоходный конический 110 82 38 30 14 55 М36×3-8 28,95
Вал быстроходный цилиндрический 80 10 32 35,0
Вал тихоходный цилиндрический 110 16 55 59,0

Варианты сборки редуктора Ч 125

Варианты сборки (рассматривать при расположении червячной пары – червяк под колесом)

Вариант крепления редуктора Ч 125

Вариант расположения червячной пары редуктора Ч 125

о – отдушина, к – пробка для контроля уровня масла, с – пробка для слива масла.

Примерные обозначения при заказе продукции

Редуктор Ч-125-10-51-1-Ц-Ц-В-2-У2-С, где:

  • Ч – тип редуктора;
  • 125- межосевое расстояние, мм;
  • 10 – номинальное передаточное число;
  • 51 – вариант сборки в соответствии с ГОСТ 20373;
  • 1 -вариант расположения передачи,
  • Ц-цилиндрический конец быстроходного вала;
  • Ц-цилиндрический конец тихоходного вала;
  • В-наличие встроенного вентилятора;
  • 2- категория точности редуктора по ГОСТ Р 50891;
  • У2 – исполнение для умеренного климата, категория размещения 2 по ГОСТ15150;
  • С – индекс, определяющий наличие в редукторе масла
Назад
Выбор города