Ваш город:
Новый Уренгой
Ваш город Новый Уренгой?
Да Выбрать другой
Заказать звонок
Фильтр

Цилиндро-червячные редукторы ЦЧ-40, ЦЧ-63, ЦЧ-80

Описание

Номинальные передаточные отношения, i Номинальная частота вращения быстроходного вала, об/м Номинальный крутящий момент на тихоходном валу при повторно-кратковременном режиме (ПВ 40%), Нм  Масса, кг 
2,5; 3,15; 4,0; 4,5; 5,0 1500 1267 454

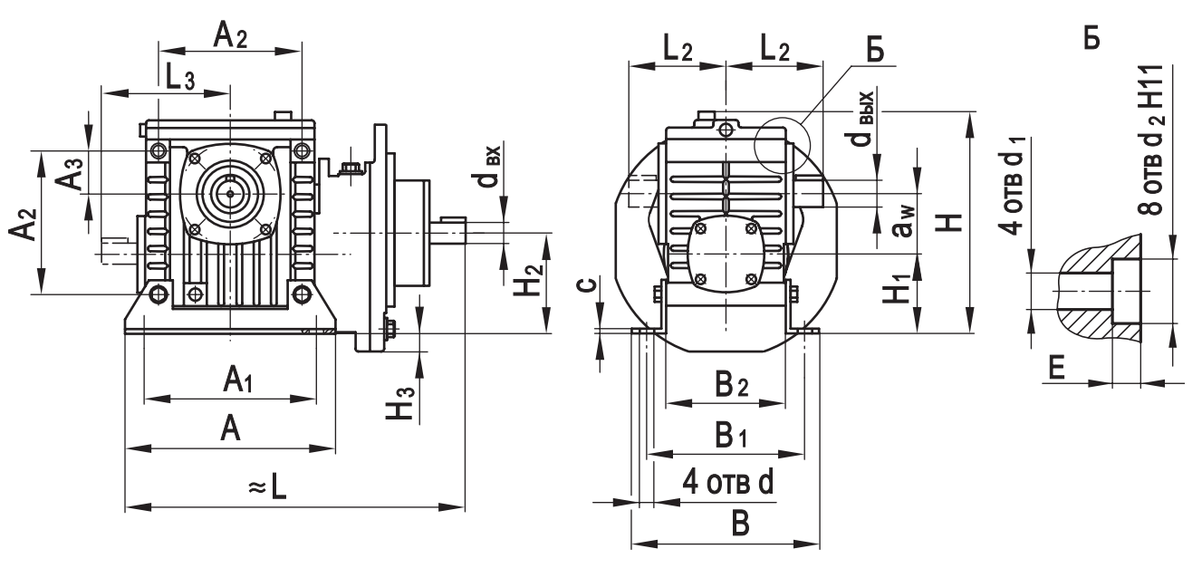
Типоразмер аw A A1 A2 A3 B B1 B2 L* L2* L3* H H1 H2 H3 c d d1 d2 E dвх dвых
ЦЧ­-­40 40 180 150 105 30 164 140 100 245 90 100 180 72 112 1 4 13 10,5 16 8 16 18
ЦЧ-­63 63 220 180 150 45 197 165 125 310 100 135 232 82 145 20 5 13 10,5 16 8 22 28
ЦЧ-­80 80 260 225 180 50 212 185 140 396 125 160 267 92 162 60 5 15 12,5 18 8 25 35

* Размеры приведены без учёта длины резьбового конца вала исполнения К2. 

Варианты сборки

Варианты расположения червячных передач

1. Червячный вал под колесом;
2. Червячный вал над колесом;
3. 4. Вал червячного колеса вертикальный;
5. 6. Червячный вал вертикальный.

Назад
Выбор города