Ваш город:
Новый Уренгой
Ваш город Новый Уренгой?
Да Выбрать другой
Заказать звонок
Фильтр

РМ-250 (350, 400, 500)

Описание

Частота вращения входного вала об/мин РБ(max) РТ(max) РМ(max)
Редуктор РМ-250
600 3,1 24 19,1
750 2,9 22 17,6
1000 2,6 20,5 16
1250 2,4 19 15
1500 2,4 18,5 14,2
Редуктор РМ-350
600 3,8 24 18,4
750 3,5 22,5 16,9
1000 3,1 20 16
1250 2,9 18,5 14
1500 2,9 17,5 13,7
Редуктор РМ-400
600 3,3 27 24,9
750 3 25,5 23,6
1000 2,7 22,5 20,25
1250 2,5 22 20,25
1500 2,3 21 20,1
Редуктор РМ-500
600 4,3 23,5 21,3
750 4 22 19,6
1000 3,5 19,5 17,7
1250 3,2 18 16,4
1500 3 17 16,45

Габаритные и присоединительные размеры

Тип aw aw2 L L1 L2 l l1 l2 l3 l4 l5 B B1 B2 H H1 h d Масса
РМ-250 250 150 540 200 238,5 320 235 45 50 189 249 230 190 230 312 160 22 17 85
РМ-350 350 200 710 260 268,5 415 310 50 60 238 280 270 250 290 400 200 23 17 145
РМ-400 400 250 816 270 325,5 440 370 80 75 288 367 300 270 310 490 250 25 17 210
РМ-500 500 300 986 330 330 620 480 110 87 338 420 350 310 350 592 300 25 17 390

Концы валов

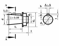
Размеры выходных валов.

Размеры выходных валов под муфты.

Тип d d1 d3 d4 l l1 b h t
РМ-250 30 27,1 М20х1,5 50 80 58 5 5 3
РМ-350 40 35,9 М24х2 63 110 82 10 8 5
РМ-400 40 35,9 М24х2 63 110 82 12 8 5
РМ-500 50 45,9 М36х3 70 110 82 16 10 6

 

Тип d d1 b l t
РМ-250 55 65 16 82 60
РМ-350 55 65 16 82 60
РМ-400 80 90 22 123 88
РМ-500 95 115 25 130 104

Размеры выходных валов в виде зубчатой муфты.

Тип m z b L L1 k B d d1
РМ-250 3 40 20 39,5 29,5 20 35 72 95
РМ-350 3 48 25 54,5 16 24,5 45 90 110
РМ-400 3 56 25 57,5 16 26,5 45 90 135
РМ-500 4 56 35 63 16 32 50 120 170

Варианты сборки

I — с концами валов в виде части зубчатой муфты ; 
II — с концами под муфты;

Редуктор РМ-250-40-12У2 (-12МУ2), где:

  • РМ – тип редуктора;
  • 250 – общее межосевое расстояние;
  • 40 – номинальное передаточное число;
  • 12 – вариант сборки;
  • У1 – климатическое исполнение и категория размещения;
  • 12МУ2 – С концом выходного вала в виде части зубчатой муфты
Назад
Выбор города