Ваш город:
Новый Уренгой
Ваш город Новый Уренгой?
Да Выбрать другой
Заказать звонок
Фильтр

Цилиндрические редукторы 1Ц3Н-450, 1Ц3Н-500, Ц3Н-630, Ц3Н-710

Описание

Типоразмер редуктора 1Ц3Н-450
Номинальное передаточное отношение, i 31,5 40 50 63 80 100 125 160 200
Номинальный крутящий момент на тихоходном валу, Т, Нxм 31500 35500
Номинальная частота вращения быстроходного вала, с-1 (об/мин) 25 (1500)
Номинальная радиальная консольная нагрузка, приложенная в середине посадочной поверхности выходного конца вала, Н быстроходного 3550 2500
тихоходного цилиндрический конец 44500 47000
конец вала в виде части зубчатой полумуфты 58000 61000
Масса, кг 1700
Ориентировочный объем масла, л. 190

 

Типоразмер редуктора 1Ц3Н-500
Номинальное передаточное отношение, i 31,5 40 50 63 80 100 125 160 200
Номинальный крутящий момент на тихоходном валу, Т, Нxм 56000 50000
Номинальная частота вращения быстроходного вала, с-1 (об/мин) 25 (1500)
Номинальная радиальная консольная нагрузка, приложенная в середине посадочной поверхности выходного конца вала, Н быстроходного 4500 3000 2500 2000
тихоходного цилиндрический конец 60000 56000
конец вала в виде части зубчатой полумуфты 80000 75000
Масса, кг 2100
Ориентировочный объем масла, л. 260

 

Типоразмер редуктора Ц3Н-630
Номинальное передаточное отношение, i 40 50 63 80 100 125 160 200
Номинальный крутящий момент на тихоходном валу, Т, Нxм 90000 85000
Номинальная частота вращения быстроходного вала, с-1 (об/мин) 25 (1500)
Номинальная радиальная консольная нагрузка, приложенная в середине посадочной поверхности выходного конца вала, Н быстроходного 6000 5300 4750 4250 3750 3550 3000 2650
тихоходного цилиндрический конец 75000 71000
конец вала в виде части зубчатой полумуфты 90000 85200
Масса, кг 3900
Ориентировочный объем масла, л. 410

 

Типоразмер редуктора Ц3Н-710
Номинальное передаточное отношение, i 40 50 63 80 100 125 160 200
Номинальный крутящий момент на тихоходном валу, Т, Нxм 100000
Номинальная частота вращения быстроходного вала, с-1 (об/мин) 25 (1500)
Номинальная радиальная консольная нагрузка, приложенная в середине посадочной поверхности выходного конца вала, Н быстроходного 6400 5700 5000 4500 4000 3500 2800
тихоходного цилиндрический конец 79000
конец вала в виде части зубчатой полумуфты 95000
Масса, кг 5020
Ориентировочный объем масла, л. 570

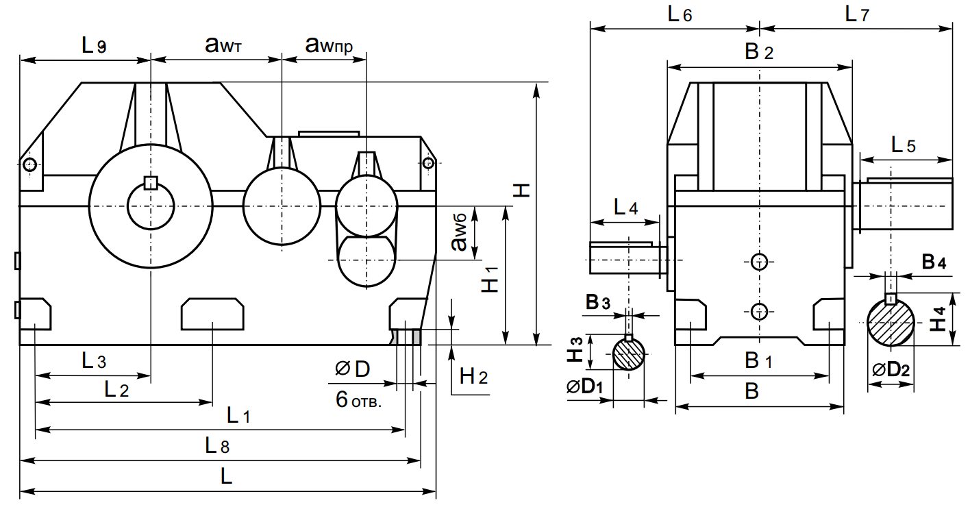
Типоразмер awб awпр awт L L1 L2 L3 L4 L5 L6 L7 L8 L9
1Ц3Н-450 200 280 450 1450 1060 530 260 110 300 430 650 480
1Ц3Н-500 225 315 500 1680 1220 615 360 460 690 1630 565
Ц3Н-630 250 400 630 1995 1770 970 575 170 360 570 760 1920 660
Ц3Н-710 280 450 710 2250 2010 1060 660 410 577 870 2160 742

 

Типоразмер oD oD1 oD2 H H1 H2 H3 H4 B B1 B2 B3 В4
1Ц3Н-450 33 50k6 160m6 870 450 48 53,5 169 570 490 630 14 40
1Ц3Н-500 42 55m6 180m6 1000 530 60 59 190 650 580 700 16 45
Ц3Н-630 52 80m6 220m6 1230 630 85 231 540 760 22 50
Ц3Н-710 90m6 250m6 1400 710 95 262 740 600 780 25 56

 

Размеры конических концов валов

Типоразмер a1 a2 a3 a4 a5 oa6 oa7 a8 oa9
1Ц3Н-450 110 82 41 12 48,9 45,9 50 430 М36×3
1Ц3Н-500 14 54,4 50,9 55 460

 

Типоразмер b1 b2 b3 b4 b5 ob6 ob7 b8 ob9
1Ц3Н-450 300 240 120 36 156 148 160 650 М125×4
1Ц3Н-500 40 177 168 180 690 М140×6

 

Размеры конца тихоходного вала в виде зубчатой полумуфты

Типоразмер f of1 of2 of3 f4 f5 f6 m z
1Ц3Н-450 440 160F8 200 420 70 50 15 10 40
190F7 235 448 78 8 54
1Ц3Н-500 470 160F8 200 420 70 50 15 10 40
200F7 245 500 85 60 20 10 48
Ц3Н-630 508 200F8 290 504 90 60 20 12 40
Ц3Н-710 545

 

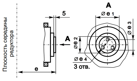
Размеры конца тихоходного вала для присоединения приборов и автоматики

Типоразмер e oe1 oe2 oe3 oe4
1Ц3Н-450 330 180h10 75h9 55 M8-7H
1Ц3Н-500 360 190h10 75h8
Ц3Н-630 400 100h9 75h9
Ц3Н-710 410 260h10

Варианты сборки

Примерные обозначения при заказе продукции

1Ц3Н-500-80-22-КвхЦвых-У1, где:

  • 1Ц3Н – Тип редуктора;
  • 500 – Межосевое расстояние второй ступени;
  • 80 – Номинальное передаточное число;
  • 22 – Вариант сборки;
  • Квх – Конический входной вал;
  • Цвых – Цилиндрический выходной вал;
  • У1 – Климатическое исполнение и категория размещения.
Назад
Выбор города