Ваш город:
Новый Уренгой
Ваш город Новый Уренгой?
Да Выбрать другой
Заказать звонок
Фильтр

Мотор-редуктор МЦЧ-100

Описание

Габаритные размеры

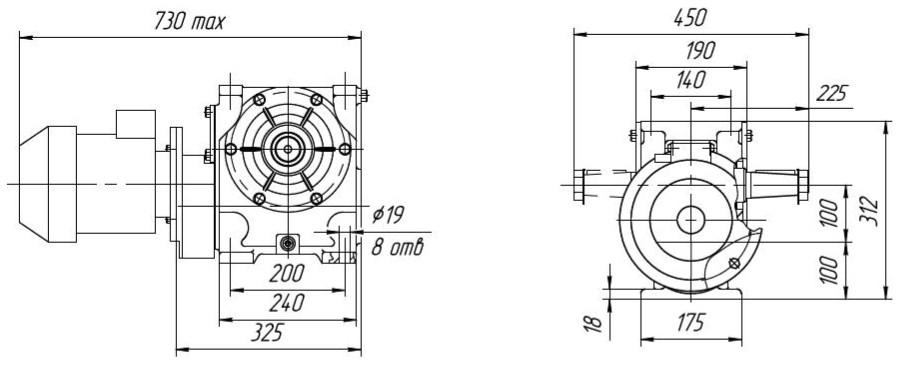
С опорным фланцем

 

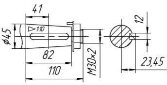
Выходной вал «Квн»

Выходной вал «Кнар»

Выходной вал «Ц»

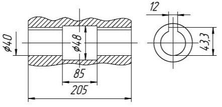
Выходной вал с шлицевым валом

Выходной вал с шпоночным валом

Назад
Выбор города