Ваш город:
Новый Уренгой
Ваш город Новый Уренгой?
Да Выбрать другой
Заказать звонок
Фильтр

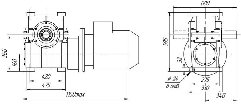
Мотор-редуктор МЦЧ-200

Описание

Габаритные размеры

С опорным фланцем

Выходной вал «Квн»

Выходной вал «Кнар»

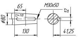
Выходной вал «Ц»

Выходной вал с шлицевым отверстием

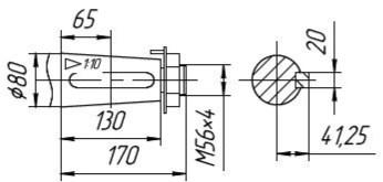
Выходной вал с шпоночным отверстием

Назад
Выбор города