Ваш город:
Новый Уренгой
Ваш город Новый Уренгой?
Да Выбрать другой
Заказать звонок
Фильтр

Коническо-цилиндрические редукторы КЦ1-200 (250, 300)

Описание

Типоразмер редуктора

КЦ1-200

Номинальное передаточное отношение, i

6,3

10,0

14,0

20,0

28,0

Номинальный крутящий момент на тихоходном валу, Т, Нxм

560

900

560

Номинальная частота вращения быстроходного вала, с-1 (об/мин)

25 (1500)

Номинальная радиальная консольная нагрузка, приложенная в середине посадочной поверхности конца вала, Н быстроходного

600

900

1200

1400

тихоходного

5150

5600

6150

6500

Масса, кг

185

Типоразмер редуктора

КЦ1-250

Номинальное передаточное отношение, i

6,3

10,0

14,0

20,0

28,0

Номинальный крутящий момент на тихоходном валу, Т, Нxм

1150

1400

1150

1000

Номинальная частота вращения быстроходного вала, с-1 (об/мин)

25 (1500)

Номинальная радиальная консольная нагрузка, приложенная в середине посадочной поверхности конца вала, Н быстроходного

1080

950

800

600

480

тихоходного

8400

9350

8400

7900

Масса, кг

320

Типоразмер редуктора

КЦ1-300

Номинальное передаточное отношение, i

6,3

10,0

14,0

20,0

28,0

Номинальный крутящий момент на тихоходном валу, Т, Нxм

1100

1700

2200

2000

1650

Номинальная частота вращения быстроходного вала, с-1 (об/мин)

25 (1500)

Номинальная радиальная консольная нагрузка, приложенная в середине посадочной поверхности конца вала, Н быстроходного

1050

1000

800

600

тихоходного

8290

10300

11700

11180

10150

Масса, кг

405

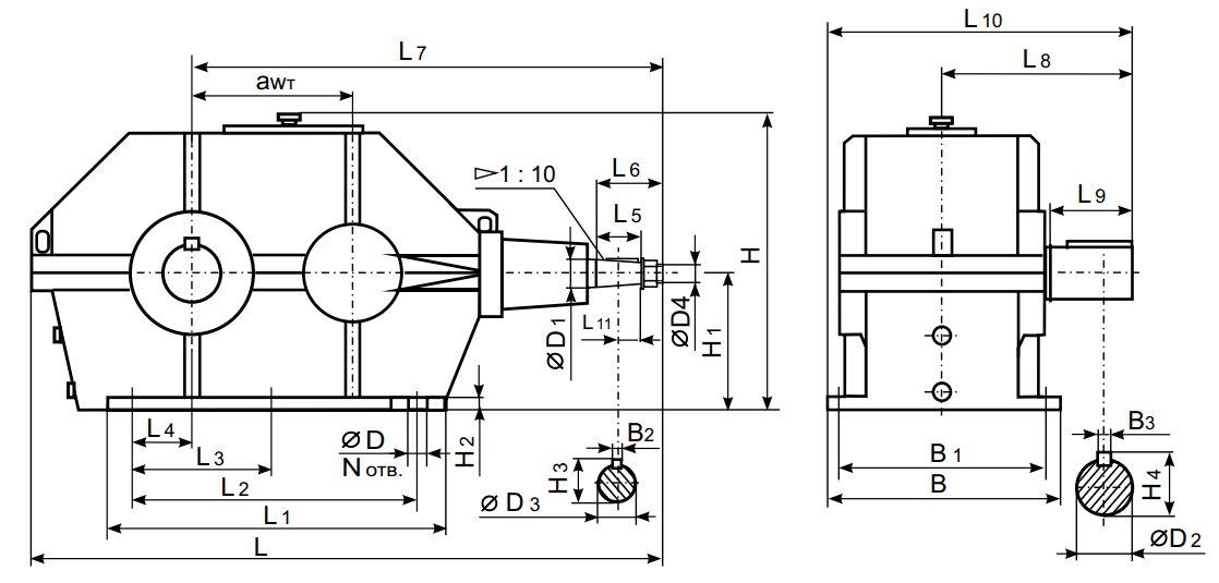
Типоразмер

awт

L

L1

L2

L3

L4

L5

L6

L7

L8

L9

L10

КЦ1-200МРЗ

200

900

425

375

90

82

110

660

247

80

400

КЦ1-250МРЗ

250

1170

570

480

110

875

319,5

110

507

КЦ1-300МРЗ

300

1275

635

545

265

125

925

385

140

590

Типоразмер

H

H1

H2

H3

H4

oD

oD1

oD2

oD3

oD4

N отв.

B

B1

B2

B3

КЦ1-200МРЗ

460

225

22

38,9

48,5

17

40h10

45k6

35,9

М24×2

4

300

250

10

14

КЦ1-250МРЗ

545

265

25

49,2

60.4

22

50h10

55m6

45,9

М36×3

375

325

12

16

КЦ1-300МРЗ

645

315

77.4

70m6

6

410

350

20

Типоразмер

f

of1

of2

of3

f4

f5

f6

m

z

КЦ1-200МРЗ

219

80 F8

100

126h11

45

20

15

3

40

КЦ1-250МРЗ

266.5

90 F8

110

150h11

48

25

14

48

КЦ1-300МРЗ

325

110 F8

130

174h11

55

17,5

56

Типоразмер

awт

L

L1

L2

L3

L4

L5

L6

L7

L8

L9

L10

КЦ1-200МРЗ

200

900

425

375

90

82

110

660

247

80

400

КЦ1-250МРЗ

250

1170

570

480

110

875

319,5

110

507

КЦ1-300МРЗ

300

1275

635

545

265

125

925

385

140

590

 

Типоразмер

H

H1

H2

H3

H4

oD

oD1

oD2

oD3

oD4

N отв.

B

B1

B2

B3

КЦ1-200МРЗ

460

225

22

38,9

48,5

17

40h10

45k6

35,9

М24×2

4

300

250

10

14

КЦ1-250МРЗ

545

265

25

49,2

60.4

22

50h10

55m6

45,9

М36×3

375

325

12

16

КЦ1-300МРЗ

645

315

77.4

70m6

6

410

350

20

 

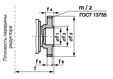
Размеры конца тихоходного вала в виде зубчатой полумуфты

Типоразмер

f

of1

of2

of3

f4

f5

f6

m

z

КЦ1-200МРЗ

219

80 F8

100

126h11

45

20

15

3

40

КЦ1-250МРЗ

266.5

90 F8

110

150h11

48

25

14

48

КЦ1-300МРЗ

325

110 F8

130

174h11

55

17,5

56

 

Варианты сборки

Примерные обозначения при заказе продукции

КЦ1-200-28-41-У1, где:

  • КЦ1 – Тип редуктора;
  • 200 – Межосевое расстояние;
  • 28 – Номинальное передаточное число;
  • 41 – Вариант сборки;
  • У1 – Климатическое исполнение и категория размещения.
Назад
Выбор города