Ваш город:
Новый Уренгой
Ваш город Новый Уренгой?
Да Выбрать другой
Заказать звонок
Фильтр

Коническо-цилиндрические редукторы КЦ1-400, КЦ1-500

Описание

Типоразмер редуктора

КЦ1-400

Номинальное передаточное отношение, i

6,3

10,0

14,0

20,0

28,0

Номинальный крутящий момент на тихоходном валу, Т, Нxм

3300

5000

4500

3800

Номинальная частота вращения быстроходного вала, с-1 (об/мин)

25 (1500)

Номинальная радиальная консольная нагрузка, приложенная в середине посадочной поверхности конца вала, Н быстроходного

1000

2200

3300

4000

тихоходного

21000

18000

20000

21200

Масса, кг

980

Типоразмер редуктора

КЦ1-500

Номинальное передаточное отношение, i

6,3

10,0

14,0

20,0

28,0

Номинальный крутящий момент на тихоходном валу, Т, Нxм

5700

9000

8250

7100

Номинальная частота вращения быстроходного вала, с-1 (об/мин)

25 (1500)

Номинальная радиальная консольная нагрузка, приложенная в середине посадочной поверхности конца вала, Н быстроходного

8000

10000

13200

15500

тихоходного

30000

25000

28000

30000

Масса, кг

1740

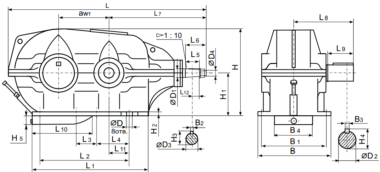
Типоразмер

awт

L

L1

L2

L3

L4

L5

L6

L7

L8

L9

L10

L11

L12

КЦ1-400

400

1703

930

810

140

335

105

140

848

452

170

530

212

52,5

КЦ1-500

500

2085

1100

990

210

390

130

170

1030

544

210

600

250

65,0

Типоразмер

H

H1

H2

H3

H4

H5

oD

oD1

oD2

oD3

oD4

B

B1

B2

B3

B4

КЦ1-400

705

320

35

58,8

170

95

26

60

90

54,75

М42×3

526

450

16

25

334

КЦ1-500

877

400

40

88,5

210

100

33

90

110

83,50

М64×4

630

550

22

28

450

Типоразмер

f

of1

of2

of3

f4

f5

f6

m

z

КЦ1-400

370

140

240

232h11

35

22

338

4

56

КЦ1-500

422

390

Типоразмер

awт

L

L1

L2

L3

L4

L5

L6

L7

L8

L9

L10

L11

L12

КЦ1-400

400

1703

930

810

140

335

105

140

848

452

170

530

212

52,5

КЦ1-500

500

2085

1100

990

210

390

130

170

1030

544

210

600

250

65,0

 

Типоразмер

H

H1

H2

H3

H4

H5

oD

oD1

oD2

oD3

oD4

B

B1

B2

B3

B4

КЦ1-400

705

320

35

58,8

170

95

26

60

90

54,75

М42×3

526

450

16

25

334

КЦ1-500

877

400

40

88,5

210

100

33

90

110

83,50

М64×4

630

550

22

28

450

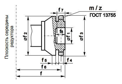
Размеры конца тихоходного вала в виде зубчатой полумуфты

Типоразмер

f

of1

of2

of3

f4

f5

f6

m

z

КЦ1-400

370

140

240

232h11

35

22

338

4

56

КЦ1-500

422

390

Варианты сборки

Примерные обозначения при заказе продукции

КЦ1-400-14-41-У1, где:

  • КЦ1 – Тип редуктора;
  • 400 – Межосевое расстояние;
  • 14 – Номинальное передаточное число;
  • 41 – Вариант сборки;
  • М – Зубчатая муфта;
  • У1 – Климатическое исполнение и категория размещения.
Назад
Выбор города